cublocmsb:msb_wiring:index
Table of Contents
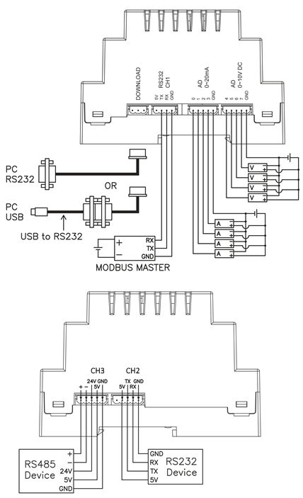
MSB610L-DC
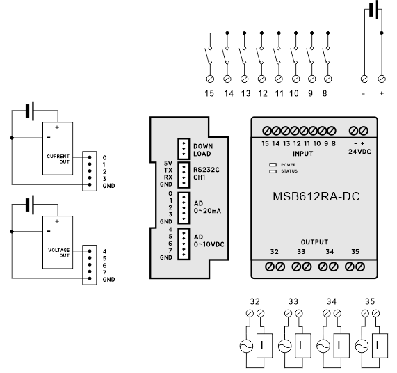
MSB612RA-DC
MSB624RA-DC
MSB624RA-DC-OEM
MSB630TA-DC
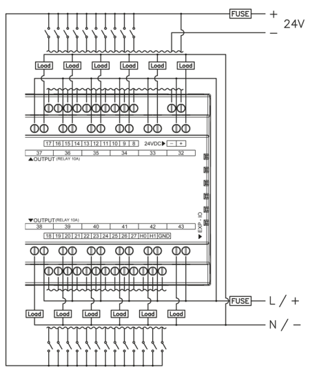
MSB632RA-DC / MSB642RA-DC
MSB764T
cublocmsb/msb_wiring/index.txt · Last modified: by admin
