User Tools

Site Tools

한국어

cfnet:cfdo16n

CFDO-16N

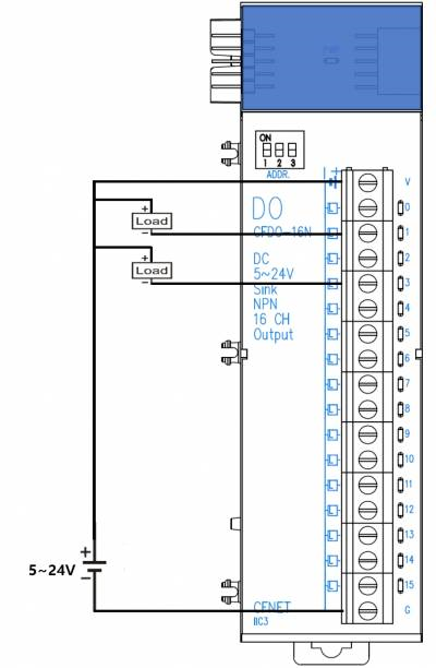
DC SINK output 16-point module, when turned on, the output is shorted to ground, and when turned off, it opens.

View at our online store.

Electrical specifications

  • Output Ports: 16
  • Output operating voltage: 5~27VDC
  • Maximum output current: 120mA / 1 point
  • Isolation: No isolation
  • Maximum on/off cycle: approximately 1kHz (1000 times per second)

Wiring method

Setting the module's address

  • Up to 8 CFDO-16Ns can be used in one system with different address settings of 0x00~0x07.
  • CFDO-16N shares an address with CFDO-8R module. In other words, addresses already in use by CFDO-8R cannot be used.

CFNET

cfnet/cfdo16n.txt · Last modified: by admin