MSB610L-AC
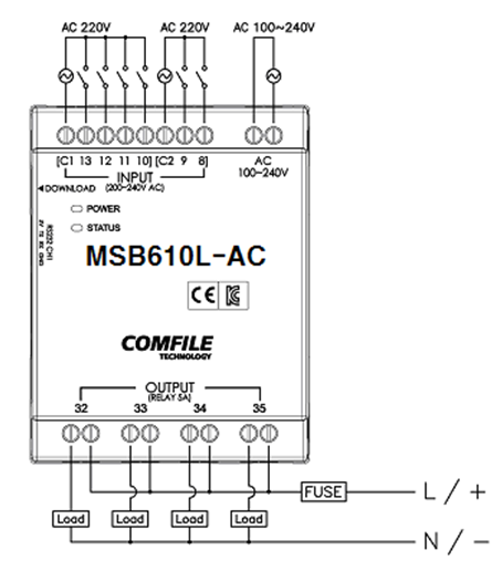
- 전원 전압: AC 100~240V
- 통신 포트: RS232C (채널 1)
- 아날로그 입력(A/D): 없음
입출력 사양
| 방향 | 포트번호 | 수량 | 종류 | 설명 |
|---|---|---|---|---|
| 입력 | 8 ~ 13 | 6 | AC 입력 (220VAC 기준) | AC 입력이 있으면 1, 없으면 0으로 인식 |
| 출력 | 32 ~ 35 | 4 | 릴레이 출력 (5A 접점) | 1을 출력하면 ON, 0을 출력하면 OFF |
입력은 AC 전압 감지 방식이며, 출력은 릴레이 접점 방식입니다.
Keywords: MSB610L-AC, CUBLOC MSB, AC Input PLC, Relay Output 5A, RS232 Channel 1, Industrial Controller
