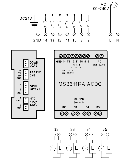
MSB611RA-ACDC
- 전원 전압: AC 100~240V
- 통신 포트: RS232C (채널 1)
입출력 사양
| 방향 | 포트번호 | 수량 | 종류 | 설명 |
|---|---|---|---|---|
| 입력 | 8 ~ 14 | 7 | 24VDC 디지털 입력 | 24VDC 입력이 있으면 1, 없으면 0으로 인식 |
| 출력 | 32 ~ 35 | 4 | 릴레이 출력 (5A 접점) | 1을 출력하면 ON, 0을 출력하면 OFF |
| 아날로그 입력 | 0 ~ 3 | 4 | 0~5V 전압 입력 | VA = Adin(0) 명령으로 채널 값을 읽어 변수에 저장 |
| 온도 입력 | 4, 5 | 2 | 10K 서미스터 (별도 구매) | TH = GetNtcTemp(4) 명령으로 온도값을 읽어 변수에 저장 온도센서 결선 방법 |
입력은 24VDC 기준의 디지털 입력이며, 출력은 릴레이 접점 방식입니다. 아날로그 입력은 0~5V 전압 신호를 사용하며, 온도 입력은 NTC 서미스터 센서를 연결하여 측정합니다.
Keywords: MSB611RA-ACDC, CUBLOC MSB, PLC Remote IO, Relay Output 5A, 0-5V Analog Input, NTC Thermistor Input, RS232 Channel 1
