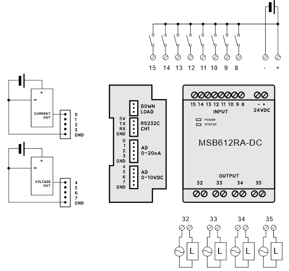
MSB612RA-DC

  • 전원 전압: DC 24V
  • 통신 포트: RS232C (채널 1)

입출력 사양

방향 포트번호 수량 종류 설명
입력 8 ~ 15 8 24VDC 디지털 입력 24VDC 입력이 있으면 1, 없으면 0으로 인식
출력 32 ~ 35 4 릴레이 출력 (10A 접점) 1을 출력하면 ON, 0을 출력하면 OFF
아날로그 입력 0 ~ 3 4 0~20mA 전류 입력 VA = Adin(0) 명령으로 채널 값을 읽어 변수에 저장
아날로그 입력 4 ~ 7 4 0~10VDC 전압 입력 VA = Adin(4) 명령으로 채널 값을 읽어 변수에 저장

입력은 24VDC 기준의 디지털 입력이며, 출력은 릴레이 접점 방식입니다. 아날로그 입력은 전류(0~20mA)와 전압(0~10VDC) 신호를 각각 별도의 채널에서 사용할 수 있습니다.

 MSB612RA-DC 전면 패널 및 단자 구성

 MSB612RA-DC 외형 치수 및 장착 치수 도면


Keywords: MSB612RA-DC, CUBLOC MSB, PLC Remote IO, Relay Output 10A, 4-20mA Analog Input, 0-10V Analog Input, RS232 Channel 1

MSB 일체형 큐블록 시리즈