MSB622R-AC
- 전원 전압: AC 100~240V
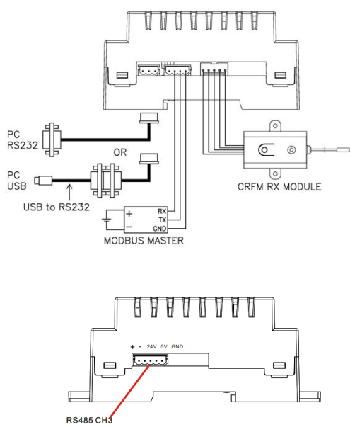
- 통신 포트: RS232C (채널 1), RS485 (채널 3)
- 3키 리모콘 연결 가능 리모콘 결선 방법
입출력 사양
| 방향 | 포트번호 | 수량 | 종류 | 설명 |
|---|---|---|---|---|
| 입력 | 8 ~ 21 | 14 | AC 입력 (220VAC 기준) | AC 입력이 있으면 1, 없으면 0으로 인식 |
| 출력 | 32 ~ 39 | 8 | 릴레이 출력 (5A 접점) | 1을 출력하면 ON, 0을 출력하면 OFF |
입력은 AC 전압 감지 방식이며, 출력은 릴레이 접점 방식입니다. 채널 3의 RS485 포트를 이용하여 외부 장치와 통신할 수 있으며, RF 3키 리모콘 모듈을 직접 연결하여 입력 신호로 사용할 수 있습니다.
Keywords: MSB622R-AC, CUBLOC MSB, AC Input PLC, Relay Output 5A, RS485 Channel 3, RF Remote Control, Industrial Controller
