MSB632RA-DC
- 전원 전압: DC 24V
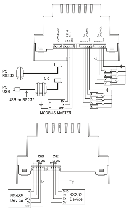
- 통신 포트: RS232C 2개 (채널 1 / 채널 2), RS485 1개 (채널 3)
- 고속 카운터: 2채널 내장
입출력 사양
| 방향 | 포트번호 | 수량 | 종류 | 설명 |
|---|---|---|---|---|
| 입력 | 8 ~ 27 | 20 | 24VDC 디지털 입력 | 24VDC 입력이 있으면 1, 없으면 0으로 인식 |
| 출력 | 32 ~ 43 | 12 | 릴레이 출력 (10A 접점) | 1을 출력하면 ON, 0을 출력하면 OFF |
| 아날로그 입력 | 0 ~ 3 | 4 | 0~20mA 전류 입력 | VA = Adin(0) 명령으로 채널 값을 읽어 변수에 저장 |
| 아날로그 입력 | 4 ~ 7 | 4 | 0~10VDC 전압 입력 | VA = Adin(4) 명령으로 채널 값을 읽어 변수에 저장 |
입력은 24VDC 기준의 디지털 입력이며, 출력은 릴레이 접점 방식입니다. 아날로그 입력은 전류(0~20mA)와 전압(0~10VDC) 신호를 각각 별도의 채널에서 사용할 수 있습니다. 고속 카운터 입력을 이용하여 엔코더, 펄스 신호 계측 등의 응용에 사용할 수 있습니다.
Keywords: MSB632RA-DC, CUBLOC MSB, PLC Remote IO, Relay Output 10A, High Speed Counter, 4-20mA Analog Input, 0-10V Analog Input, RS232 Dual Port, RS485 Communication
