Table of Contents
AN34102 컨베어 정역 제어
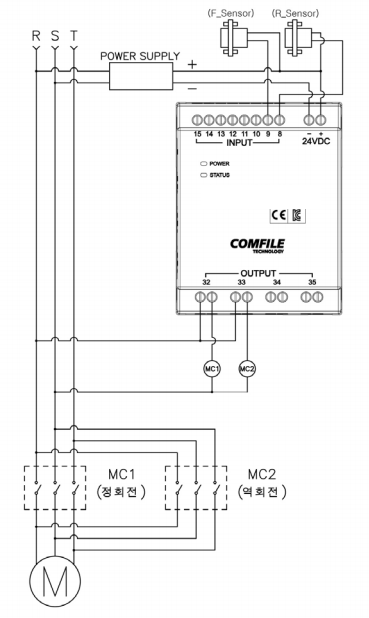
F_Sensor 근접센서에 물체가 감지되면 모터가 정방향으로 회전하여 물체가 반대편 컨베어로 이동하게 되며, R_Sensor 근접센서에 물체가 감지되면 물체의 이동이 완료되었으므로 모터는 정지됩니다.
F_Sensor 근접센서에 물체가 감지되고 6 초 타이머(T0) 후에 R_Sensor 근접센서에 물체가 감지되지 않으면 모터의 계속적인 기동상태를 방지하고자 정지됩니다.
물체는 어떠한 이유로 인해 컨베어의 반대편까지 오지 못한다고 판단하는 것입니다.
모터의 회전이후 관성에 의한 회전을 포함한 완전정지 상태가 되기까지 약 1 초 타이머(T2,T3) 동안은 모터의 역기동을 방지합니다.
R_Sensor 에 의한 동작은 F_Senosr 에 의한 동작과 같습니다.
준비물
MSB612RA-DC … 1개
근접센서 … 2개
파워서플라이 (24V출력) … 1개
시스템 구성도
