Table of Contents
FADUINO-18TA
- UPLOAD 포트 : 프로그램 업로드용 포트 (USB-C 또는 RS232C)
- RS232C 채널 0 : 통신용 포트
- A/D 입력 포트 : 0~5V 아날로그 입력 (GPIO로도 사용 가능)
- 업로드 포트와 RS232C 채널 0은 내부적으로 연결되어 있습니다
- 업로드 시에는 채널 0에 연결된 외부 장치를 분리하십시오
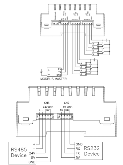
FADUINO-32TA
- UPLOAD 포트 : 프로그램 업로드용 USB-C 포트
- PWM 출력 포트 6개 내장 (5V 출력, GPIO 겸용)
- I2C 통신 포트 제공
- RS232C 통신 2채널
- RS485 통신 1채널
- INT 인터럽트 입력 포트 내장 (DC24V 입력)
FADUINO-12RA
- UPLOAD 포트 : 프로그램 업로드용 USB-C 포트
- RS232C 통신 포트 1채널
- 10A 대용량 릴레이 출력 내장
FADUINO-24RA
- UPLOAD 포트 : 프로그램 업로드용 USB-C 포트
- 통신 포트 총 3채널
- RS232C 2채널, RS485 1채널
- 10A 대용량 릴레이 출력 내장
Keywords: FADUINO, FADUINO-18TA, FADUINO-32TA, FADUINO-12RA, FADUINO-24RA, FADUINO 업로드 포트, USB-C 업로드, RS232C 업로드, FADUINO 통신 포트, RS232C, RS485, PWM 출력, 릴레이 출력, 산업용 컨트롤러
