CLCD와 연결

CLCD(Character LCD)는 문자 기반 정보를 표시할 수 있는 LCD 모듈로,
FADUINO와 연결하여 상태 표시, 카운터 출력, 간단한 메시지 표시 등에 사용됩니다.

CLCD는 내부에 제어 로직이 없으며, FADUINO가 전송하는 시리얼 또는 I2C 명령에 따라 화면을 표시하는 구조입니다.

FADUINO 모델에 따라 CLCD와의 연결 방식과 통신 포트가 다르므로, 아래에서 해당 모델에 맞는 방법을 선택하여 사용하시기 바랍니다.

FADUINO-18TA 용

FADUINO-18TA는 Arduino UNO 기반 모델로, CLCD를 시리얼 포트(채널 0) 를 통해 제어합니다.

이 시리얼 포트는 업로드 포트와 겸용이므로, 프로그램 업로드가 완료된 후 CLCD와 통신이 가능합니다.

아래 예제는 CLCD에 문자열과 카운터 값을 표시하는 최초 테스트용 샘플 프로그램입니다. 본 예제를 통해 다음 사항을 확인할 수 있습니다.

  • CLCD 결선 상태가 정상인지
  • 시리얼 통신이 정상적으로 이루어지는지
  • 문자 위치 지정(locate)이 정상 동작하는지

보드 설정은 반드시 Arduino UNO 로 선택해야 합니다.

[소스코드 보기]

FADUINO-12RA / FADUINO-24RA 용

FADUINO-12RA 및 24RA 모델은 Arduino MEGA 기반으로, CLCD를 RS232C(채널 1) 를 통해 연결합니다.

이 경우 CLCD 모듈의 DIP 스위치를 모두 ON 으로 설정하여 보레이트를 115200bps 로 맞추어 주십시오.

아래 예제는 CLCD 기본 출력 동작을 확인하기 위한 샘플입니다.

[소스코드 보기]

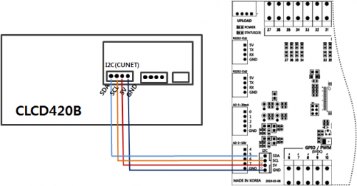
FADUINO-32TA 용

FADUINO-32TA는 CLCD 전용 I2C 연결 포트를 제공합니다. 이 방식은 시리얼 방식보다 배선이 간단하며, 안정적인 통신이 가능합니다.

CLCD 모듈의 DIP 스위치를 모두 OFF 로 설정하고, I2C 슬레이브 주소를 0번 으로 맞추어 주십시오.

아래 예제는 I2C를 이용하여 CLCD에 문자열을 표시하는 샘플 프로그램입니다.

[소스코드 보기]

이 예제는 다음 사항을 확인하기 위한 용도로 사용됩니다.

  • I2C 통신이 정상적으로 이루어지는지
  • CLCD 백라이트 및 커서 제어가 가능한지
  • 문자 위치 지정 및 출력이 정상인지

기술지원 정책

당사에서는 고객께서 작성하신 사용자 소스에 대한 분석 및 수정 서비스는 제공하지 않고 있음을 양해 부탁드립니다. 기술지원은 당사에서 제공한 하드웨어 사양, 결선 방법, 정상 동작 여부에 한하여 지원이 가능합니다. 감사합니다.

본 샘플 소스는 사전에 정상 동작이 확인된 예제입니다.

FADUINO