Table of Contents
전기적 사양 (FADUINO 시리즈 기준)
본 문서는 FADUINO 시리즈 컨트롤러의 전기적 입출력 사양을 기준으로 작성되었습니다.
모델별로 일부 사양 차이가 있을 수 있으므로, 실제 적용 시에는 해당 모델의 세부 사양을 함께 확인하시기 바랍니다.
디지털 입력 사양
적용 모델: FADUINO-18TA, FADUINO-32TA, FADUINO-12RA, FADUINO-24RA
디지털 입력은 외부 스위치, 센서 등의 ON/OFF 신호를 감지하기 위한 입력 포트입니다. 입력 신호는 DC 24V 기준으로 동작하도록 설계되었습니다.
| 점수 | 8점 |
|---|---|
| 입력전압 범위 | 20VDC ~ 28VDC |
| 권장 오퍼레이팅 전압 | 24VDC |
| 입력 임피던스 | 2.2K오옴 @ 24VDC 직렬저항은 연결하지 마십시오. |
- 입력 포트에는 직렬 저항을 추가로 연결하지 마십시오
- 권장 전압 범위 이외의 입력은 오동작의 원인이 될 수 있습니다
릴레이 출력 사양
적용 모델: FADUINO-12RA, FADUINO-24RA
릴레이 출력은 외부 부하를 절연 상태로 ON/OFF 제어하기 위한 출력입니다. 전압 종류(DC/AC)에 관계없이 다양한 부하를 제어할 수 있습니다.
릴레이 출력의 최대 허용 전류(10A 또는 5A)는 순간 최대 전류 기준입니다. 연속 사용 시에는 이 값의 5분의 1 이하 수준으로 설계하시기 바랍니다.
| 입력전압 범위 | 5 ~ 30VDC / 5 ~ 264VAC |
|---|---|
| 권장 오퍼레이팅 전압 | 6 ~ 27VDC / 6 ~ 240VAC |
| ON / OFF 최소 주기 | 10Hz (초당 10회) |
| 최대 전류 | 10A / 점 |
| 평상시 전류 | 3A / 점 |
| 최소 전류 | 100mA / 점 |
- 대전류 부하 사용 시 외부 접촉기 또는 보조 릴레이 사용을 권장합니다
- 빈번한 고속 스위칭은 릴레이 수명을 단축시킬 수 있습니다
디지털 (NPN TR) 출력 사양
적용 모델: FADUINO-18TA, FADUINO-32TA
디지털 출력은 DC SINK 방식의 NPN TR 출력입니다. 출력 ON 시 해당 포트는 GND와 연결됩니다.
| 출력방식 | DC SINK (NPN TR) |
|---|---|
| 입력전압 범위 | 5 ~ 24VDC |
| 최대 전류 | 24V 100mA / 점 |
부하의 다른 한쪽은 반드시 전원의 +단자에 연결해야 합니다.
소비 전력이 큰 부하(솔레노이드 밸브, 모터, 히터 등)는 출력 포트에 직접 연결하지 말고 보조 릴레이를 통해 연결하십시오.
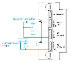
아날로그 입력 사양
적용 모델: FADUINO-18TA, FADUINO-32TA
아날로그 입력은 전류 또는 전압 신호를 수치 데이터로 변환하여 처리합니다.
아날로그 전류 입력 사양
| 해상도, 오차율 | 10비트, ±2% |
|---|---|
| 입력전류 범위 | 0mA ~ 22mA |
| 권장 오퍼레이팅 전류 | 4mA ~ 20mA |
| 방식 | 비절연 방식, LPF 내장 |
아날로그 전압 입력 사양
| 해상도, 오차율 | 10비트, ±2% |
|---|---|
| 입력전압 범위 | -0.5VDC ~ 10.5VDC 직렬저항은 연결하지 마십시오 |
| 권장 오퍼레이팅 전압 | 0VDC ~ 10VDC |
| 방식 | 비절연 방식, LPF 내장 |
GPIO (FADUINO-18TA) 입출력 사양
적용 모델: FADUINO-18TA
GPIO 포트(A0 ~ A5)는 디지털 입출력 또는 아날로그 입력으로 사용할 수 있습니다.
GPIO 출력 사양
| 출력 범위 | HIGH 5V / LOW 0V |
|---|---|
| 최대 출력 전류 | 30mA |
GPIO 입력 사양
| 입력 범위 | HIGH 2.6V 이상 / LOW 0.6V 이하 |
|---|---|
| 방식 | 비절연 방식 |
Keywords: FADUINO 전기적 사양, FADUINO 디지털 입력, FADUINO 릴레이 출력, FADUINO NPN 출력, DC SINK 출력, FADUINO 아날로그 입력, FADUINO GPIO, FADUINO-18TA, FADUINO-32TA, FADUINO-12RA, FADUINO-24RA


