RCB-CON 사용법
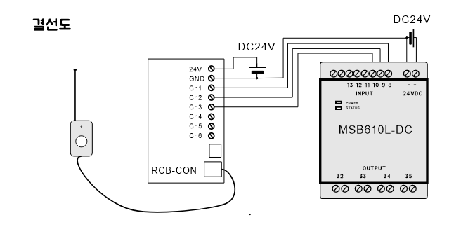
CRFM 리모컨 수신모듈은 5V출력으로 되어 있어, PLC와 직접 연결할 수 없습니다. RCB-CON제품을 사용하면 5V 출력을 다른 전압으로 바꿀 있어서 PLC와 연결할 수 있습니다.
RCB-CON 제품을 사용하기위해서는 별도 전원이 필요합니다. (전원인가 범위 6V ~ 30VDC) 인가한 전압이 신호로 출력됩니다. 만약 24V를 전원으로 공급하면, 리모콘을 누를때마다 24V가 출력됩니다. 이 출력신호를 PLC로 공급하십시오.
- 주의사항 : 24V가 출력되므로, PLC는 P상 입력을 받을 수 있는 입력단자를 써야 합니다. N상입력은 불가능.
