User Tools

Site Tools


cubloc:cb220_320

CB220/320

Pin description

Pin Name I/O Description
1 SOUT OUT DOWNLOAD SERIAL OUTPUT
2 SIN IN DOWNLOAD SERIAL INPUT
3 ATN IN DOWNLOAD SERIAL RESET (DTR)
4 VSS POWER GROUND
5 P0 I/O ADC0 / SPI SS
6 P1 Input ADC1 / SPI SCK
7 P2 I/O ADC2 / SPI MOSI
8 P3 I/O ADC3 / SPI MISO
9 P4 I/O ADC4
10 P5 I/O PWM0 / ADC5
11 P6 I/O PWM1 / ADC6
12 P7 I/O PWM2 / ADC7
13 P8 I/O CuNET SCL
14 P9 I/O CuNET SDA
15 P10 I/O RS232C Channel 1 RX
16 P11 I/O RS232C Channel 1 TX
17 P12 I/O
18 P13 I/O
19 P14 I/O High Counter Channel 0
20 P15 I/O High Counter Channel 1
21 VDD I/O 5V Output / Input
22 RES IN RESET input (Active Low)
23 VSS IN GROUND
24 VIN IN 5.5V~12V Input Power

Spare I/O Pin

Name I/O Desription
P18 I/O
P19 I/O PWM3
P20 I/O PWM4 / INT0
P21 I/O PWM5 / INT1
P22 I/O INT2
P23 I/O INT3

Additional Information

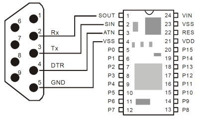
SIN, SOUT, ATN are RS-232 communication pins used to interface with a PC for downloading, debugging, monitoring, and serial communication. All Cubloc models have SOUT, SIN, and ATN pins and are connected to a DB-9 connector (PC serial port) as shown below.

Other pins are mostly I/O ports. The user may select which ports (pins) to use as INPUT or OUTPUT. When set to INPUT, the pin enters a high-impedance state; when set to OUTPUT, the pin either outputs logic-low or logic-high. The maximum current (source/sink) available from the output ports is 25mA. The user is free to choose which I/O ports he/she will use for which purpose (such as ADC, PWM, etc…).

CUBLOC - Embedded Controller

cubloc/cb220_320.txt · Last modified: by 127.0.0.1